產品展示
PRODUCTS
產品展示
PRODUCTS
全部分類
瀏覽量:
1000
1
產品描述
參數
用途:
本系列風機是為100~200MW火力發電機組配套的。
型式:
本風機是在原生產的G4-73-11,Y4-73-11NO.(20-291/2)D的基礎上,根據20多年生產和使用中存在的問題,重新設計的新型產品。與原系列相比作了如下重大改進設計:
將原風機懸臂支承(D式)的傳動方式改變為中間支承(F式)提高了風機運行中的穩定性;尤其對于引風機來說由于葉輪磨損和積灰以后影響轉子的平衡,容易引起風機的振動,這一改進尤為重要。
通過模型(葉輪外徑=1000mm)試驗,增加了適應于該風機的進氣室,改原進風口的形狀為偏心進風口。過去風機生產廠不制造附帶進氣室,而各電廠自行配置的 室多不能適應改風機的工作,容易引起進氣渦流,使風機上午機殼、進氣室以及風道產生劇烈的振動,風機工作嚴重惡化,風量、壓力、功率大幅度波動,使設備不能正常運行。使用該系列新型風機,可使這一問題得道滿意的解決。
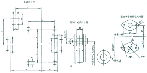
在進氣室的進風口處裝有5個翼形葉片調節風門,用以調節風機得特性,提高風機的調節效率,調節葉片的支撐處裝有滾動軸承,轉動靈活,使用可靠。
由于大部分送風機使用環境溫度較高,軸承容易發熱,因而新系列風機的軸承箱也和引風機一樣采用水冷式。
新風機的軸承箱改進了軸封設計,并增加了放氣塞,解決了漏油問題。
由于滾動軸承標準的改變,新風機調整了使用滾動軸承型號,同時由于傳動方式的改變、軸承的受力情況更加合理,因而滾動軸承在使用中的問題大為減少。
新風機的設計增強了機殼和進氣室的鋼性,在機殼和進氣室外部焊有適當高度的井字格筋板,內部焊有空心管支撐,因而消除了由于機殼鋼性不足而產生的振動。
考慮道引風機和葉輪的塵粒磨損問題,增大了翼形葉片頭部的實心部分,并在葉片靠后盤處增加了防磨板,同時在易磨損處用耐磨焊條堆焊耐磨層,硬度可以達到48HRC以上,延長了葉輪的使用壽命,滿足電廠使用和維修要求。
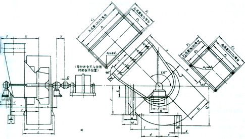
按實際情況,新風機設計成進口135度和出口45度的型式,這樣在不動風機主體和進口、出口風道的情況下,既可將風機拆分處機殼、進氣室、進風口上的一部分,從而將風機的轉子從上部垂直吊出。
擴大設計生產NO.311/2的送、引風機。
結構特點:
性能與選擇:
性能參數:
Y4-73No.20~31?F鍋爐鼓引風機性能與選用件表
GY4-73No.20>~31?F外形及安裝尺寸表




安裝尺寸圖:





其它:
掃二維碼用手機看
未找到相應參數組,請于后臺屬性模板中添加
下一個
Y-48型鍋爐離心引風機
您好!
感謝您來到通用風機官方網站,若您有合作意向,請您為我們留言或使用以下方式聯系我們,我們會第一時間給予反饋,并為您提供最真誠的服務,謝謝。
底部聯系方式
發布時間:2019-05-14 00:00:00
重慶市渝北區龍脊路1號龍溪建材大廈5-8


地址版權
發布時間:2019-05-14 00:00:00
? 2019 重慶通用風機有限公司 頁面版權所有 渝ICP備12007148號 網站建設:中企動力重慶
手機版權地址
發布時間:2019-05-14 00:00:00
? 2019 重慶通用風機有限公司 頁面版權所有